|
|
|
環保業務一Environmental protection business
污水廢水節能處理系統,危險廢棄物,難處理工業廢水的處理回收交鑰匙工程及管理,技術咨詢服務。
Energy-saving sewage & wastewater treatment systems, hazardous waste, turn-key project and management of treatment and recycling of industrial wastewater which is hard to be treated, technical consultation services. |
新加坡海水淡化工程 Singapore Seawater Desalination Project
 |
新加坡中水回用工程Singapore Intermediate Water Reuse Project
 |
汽提設備VOC去除 Stripping VOC Removal Equipment
傳統二效蒸發設備 Traditional Double-Effect Evaporation Equipment
MVR蒸餾技術 MVR Distillation Technology
 |
MVR蒸發設備 MVR Evaporation Equipment

|
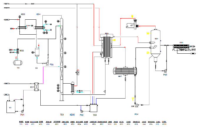
高鹽分、高COD、高揮發有機物廢水的綜合處理工藝圖
High Salinity And High COD, High Volatile Organic Wastewater Comprehensive Treatment Process Diagram
廢有機溶劑回收設備 Waste Organic Solvent Recovery Equipment
陶瓷膜廢潤滑油回收設備 Ceramic Membrane Waste Lubricating Oil Recycling Equipment
鍍鋅廠廢酸的回收 Waste Acid Recycling Of Zinc Factory
含重金屬廢水的處理及回用 Treatment And Reuse Of Wastewater Containing Heavy Metals
油墨廢水的處理 Printing Ink Wastewater Treatment
污泥干化技術 Sludge Drying Technology
新型危廢無害化處理兼產蒸汽和發電 Harmless treatment of new-type of hazardous waste with steam production and power generation
綜合危廢處理回收理念和實踐 Integrated Hazardous Waste Treatment Recovery Theory And Practice
新加坡實際綜合危廢處理中心(ECO) SingaporeActual Comprehensive Hazardous Waste Treatment Centre (ECO)

|